NOVO: Raziščite Minitec spletno trgovino!

menu zapri

MINI - ENOTA ZA NASTAVLJANJE SESTAVNI KOMPLET

280350/0
Komplet za namestitev mini linearne enote omogoča hitro in enostavno montažo ter zanesljivo delovanje v različnih aplikacijah.
Cena: Po ponudbi
Po naročilu
Dodaj med priljubljene

K izdelku lahko dodate:

Tehnični podatki / vključeni artikli

  • Brez podpornega profila, ročnega kolesa in nosilnega bloka za vgradnjo v obstoječo napravo
  • Gred iz nerjavečega jekla M8 x 1,25
  • Drsnik iz medenine
  • Maks. obremenitev 1 - 2 kg
  • Daljša dolžina možna po naročilu

Uporaba

  • Za nastavitev stranskih vodil na transportni opremi
  • Za nastavitev nosilcev senzorjev ali svetlobnih pregrad
  • Za enostavno opremo

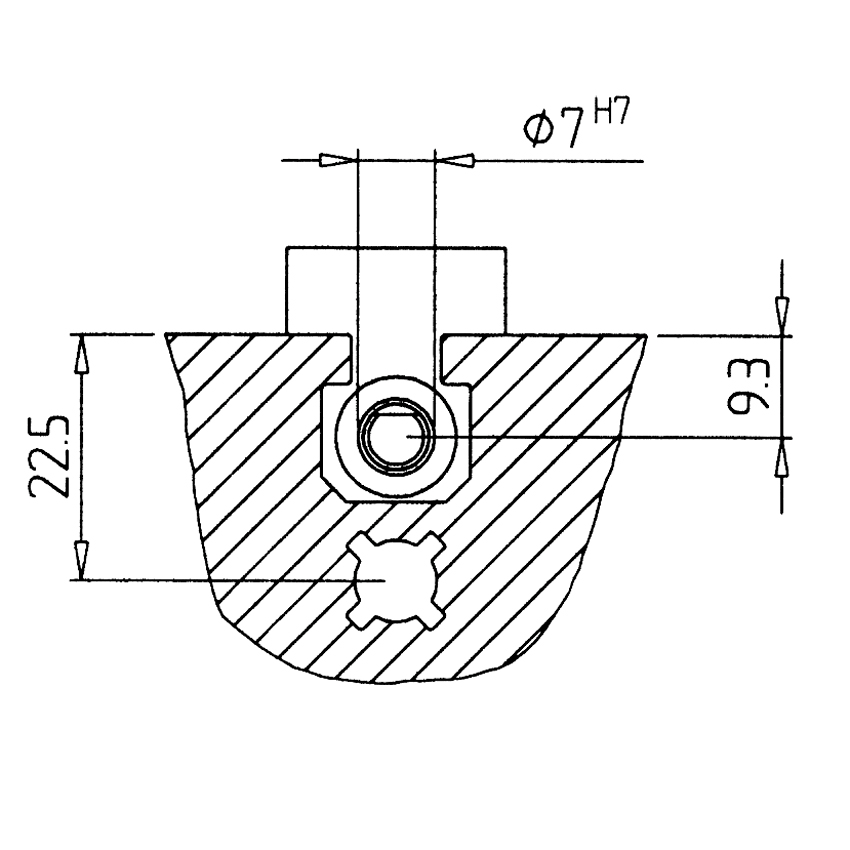
Navodila za uporabo / način montaže

  • Izdelajte nosilni blok po skici
  • Potisnite ga v utor profila in pritrdite končni blok

Zadnje ogledani artikli

Na zalogi v centralnem skladišču.
Dobava 2-4 tedne.
97,05 € (z DDV)
79,55 € (brez DDV)
Dodaj med priljubljene
Na zalogi
4,03 € (z DDV)
3,30 € (brez DDV)
Dodaj med priljubljene
Na zalogi v centralnem skladišču.
Dobava 2-4 tedne.
267,50 € (z DDV)
219,26 € (brez DDV)
Dodaj med priljubljene
Na zalogi v centralnem skladišču.
Dobava 2-4 tedne.
16,41 € (z DDV)
13,45 € (brez DDV)
Dodaj med priljubljene
Po naročilu
Cena: Po ponudbi
Dodaj med priljubljene
Na zalogi v centralnem skladišču.
Dobava 2-4 tedne.
264,77 € (z DDV)
217,02 € (brez DDV)
Dodaj med priljubljene
Na zalogi v centralnem skladišču.
Dobava 2-4 tedne.
206,41 € (z DDV)
169,19 € (brez DDV)
Dodaj med priljubljene