NOVO: Raziščite Minitec spletno trgovino!

menu zapri

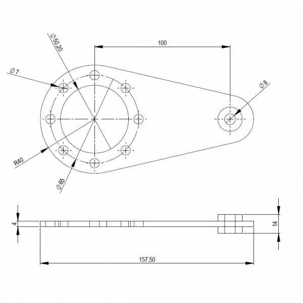
MOMENTNA ROČICA FB 30-45

1002321/0
Cena: 16,00 € (19,52 € z DDV)
Na zalogi v centralnem skladišču.
Dodaj med priljubljene

K izdelku lahko dodate:

Tehnični podatki / vključeni artikli

  • jeklena pločevina, svetlo cinkano
  • brez vijačnega materiala

Uporaba

  • pritrditev na gonila velikosti FB 30 in FB 40